新疆维吾尔自治区儿童医院耳鼻喉科手术器械项目进行询价采购,邀请有独立企业法人资质且具有相应服务能力的供应商,根据询价内容要求参加本次采购活动,并提供满足询价要求的服务。现将有关事项告知如下:
一、投标人需提供营业执照及报价单,所投产品属于第二类医疗器械的,需提供有效的行政主管部门颁发的医疗器械经营备案凭证(或医疗器械生产许可证或医疗器械经营许可证);所投产品属于第三类医疗器械的,需提供有效的行政主管部门颁发的医疗器械生产许可证(或医疗器械经营许可证)(复印件加盖公章),否则该报价将视为废标。
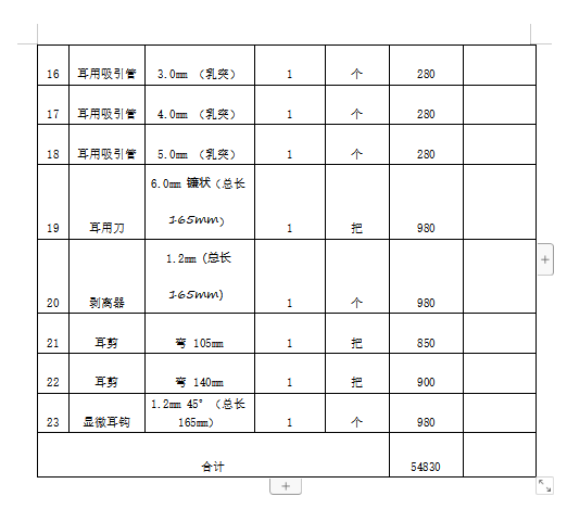
项目控制价54830元,报价不得高于控制价,报价仅限于人民币,不接受选择性报价,同一种货物仅允许提供一个报价。投标人所报价格应包括运输费、搬运费、维护费、税金等所有费用。
二、项目需求:


三、报价截止时间:即日起至 2024年5月9日18时止。
四、报价方式:请供应商于2024年5月9日18时前将报价单及相关资质密封送至新疆维吾尔自治区儿童医院采购中心(行政楼102室),逾期递交的报价单概不接收。
五、联系人:王老师 ,联系方式:3056196
六、报价单模板
新疆维吾尔自治区儿童医院
2024年4月30日
地址:乌鲁木齐市阿勒泰路393号
邮编:830000
电话:0991-3056500
传真:0991-3056678
邮箱:xjetyy@yeah.net
Copyright © 2026 新疆维吾尔自治区儿童医院 新ICP备20000253号
